- Циркуляционные насосы
- Многоступенчатые самовсасывающие насосы
- Автоматические насосы
- Насосы для бассейнов садовых работ
- Консольные центробежные насосы
- Вертикальные центробежные насосы
- Погружные дренажные насосы станции для сточных вод
- Погружные скважинные насосы
- Бытовые насосные станции повышения давления
- Промышленные насосные станции повышения давления
- Станции пожаротушения
- Блоки управления частотные преобразователи
- DAB — Каталог продукции
- DAB — Программа подбора насосов — DNA
- DAB — Сравнение насосов разных производителей
- DAB — Опросный лист
- DAB — ПРАЙС ЛИСТ
- Пищевые насосы
- Перемешивающее оборудование
- Клапаны
- Арматура
-
Пищевой сектор
-
Фармацевтический сектор
-
Косметический сектор
-
Винодельческий сектор
-
Оливковый сектор
- Асептические соединения для емкостей
- Фармацевтические фитинги Clamp
- Асептические донные клапаны
- Теплообменники DTS
- Асептические пробоотборники
- Санитарные клапаны взятия проб
- Флакон отбора проб (Пробоотборник)
- Санитарные шаровые краны
- Дисковые поворотные затворы
- Силиконовые гибкие трубы
- Санитарные обратные клапаны
- Санитарные смотровые стекла
- Моющие головки для емкостей
- Магнитные мешалки
- Диафрагмы для клапанов
- Задвижки с обрезиненным клином
- Ножевые затворы
- Гидранты
- Поворотно-дисковые затворы
- Хомуты для врезки
- Воздушные клапаны
- Клапаны регулирования давления потока
- Кольцевые клапаны
- Конический выпускной затвор
- Обратные клапаны
- Шаровые клапаны
- Диафрагменные клапаны
- Соединительные системы
- Бескорпусная арматура — Пенштоки
- Аксессуары
K-TEP » Новости и статьи » Магнитная мешалка Серия AMT
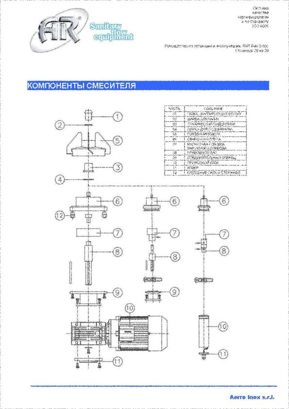
?нструкция по эксплуатации является лишь напоминанием об основных операциях с устройством, оставляя обучение персонала на откуп специалистам. Руководство по эксплуатации и техническому обслуживанию является неотъемлемой частью технической документации на машину. Руководство следует бережно хранить и предоставлять всем заинтересованным лицам. Данная инструкция была разработана после проведения анализа "Оценка риска" и "Снижение опасности". В случае утери или повреждения можно запросить копию руководства, указав серийный номер, тип, год выпуска, выбитые на заводской табличке CE машины.
Магнитная мешалка Серия AMT
Перед распаковкой смесителя AMT следует внимательно прочитать данное руководство
Установка — Руководство пользователя — Обслуживание?нструкция по эксплуатации является лишь напоминанием об основных операциях с устройством, оставляя обучение персонала на откуп специалистам. Руководство по эксплуатации и техническому обслуживанию является неотъемлемой частью технической документации на машину. Руководство следует бережно хранить и предоставлять всем заинтересованным лицам. Данная инструкция была разработана после проведения анализа "Оценка риска" и "Снижение опасности". В случае утери или повреждения можно запросить копию руководства, указав серийный номер, тип, год выпуска, выбитые на заводской табличке CE машины.
Читабельную версию паспорта — МАГН?ТНАЯ МЕШАЛКА СЕР?Я AМТ вы можете запросить по эл. почте: kteppums@gmail.com
Категория: Новости и статьи
Смотрите также:
Насосы - насосное оборудование DAB (Италия)
Насосы - насосное оборудование ABS International (Швеция)
Пищевое оборудование Inoxpa (Испания)
Фармацевтическое оборудование Aerre Inox S.r.l. (Италия)
Запорная арматура широкого диапазона размеров Erhard Armaturen (Германия)
Мобильная версия Главная Новости и статьи
© 2010 — 2025 K-TEP аll rights reserved





