- Циркуляционные насосы
- Многоступенчатые самовсасывающие насосы
- Автоматические насосы
- Насосы для бассейнов садовых работ
- Консольные центробежные насосы
- Вертикальные центробежные насосы
- Погружные дренажные насосы станции для сточных вод
- Погружные скважинные насосы
- Бытовые насосные станции повышения давления
- Промышленные насосные станции повышения давления
- Станции пожаротушения
- Блоки управления частотные преобразователи
- DAB — Каталог продукции
- DAB — Программа подбора насосов — DNA
- DAB — Сравнение насосов разных производителей
- DAB — Опросный лист
- DAB — ПРАЙС ЛИСТ
- Пищевые насосы
- Перемешивающее оборудование
- Клапаны
- Арматура
-
Пищевой сектор
-
Фармацевтический сектор
-
Косметический сектор
-
Винодельческий сектор
-
Оливковый сектор
- Асептические соединения для емкостей
- Фармацевтические фитинги Clamp
- Асептические донные клапаны
- Теплообменники DTS
- Асептические пробоотборники
- Санитарные клапаны взятия проб
- Флакон отбора проб (Пробоотборник)
- Санитарные шаровые краны
- Дисковые поворотные затворы
- Силиконовые гибкие трубы
- Санитарные обратные клапаны
- Санитарные смотровые стекла
- Моющие головки для емкостей
- Магнитные мешалки
- Диафрагмы для клапанов
- Задвижки с обрезиненным клином
- Ножевые затворы
- Гидранты
- Поворотно-дисковые затворы
- Хомуты для врезки
- Воздушные клапаны
- Клапаны регулирования давления потока
- Кольцевые клапаны
- Конический выпускной затвор
- Обратные клапаны
- Шаровые клапаны
- Диафрагменные клапаны
- Соединительные системы
- Бескорпусная арматура — Пенштоки
- Аксессуары
K-TEP » Новости и статьи » Обратные пружинные клапаны
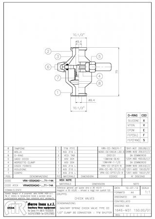
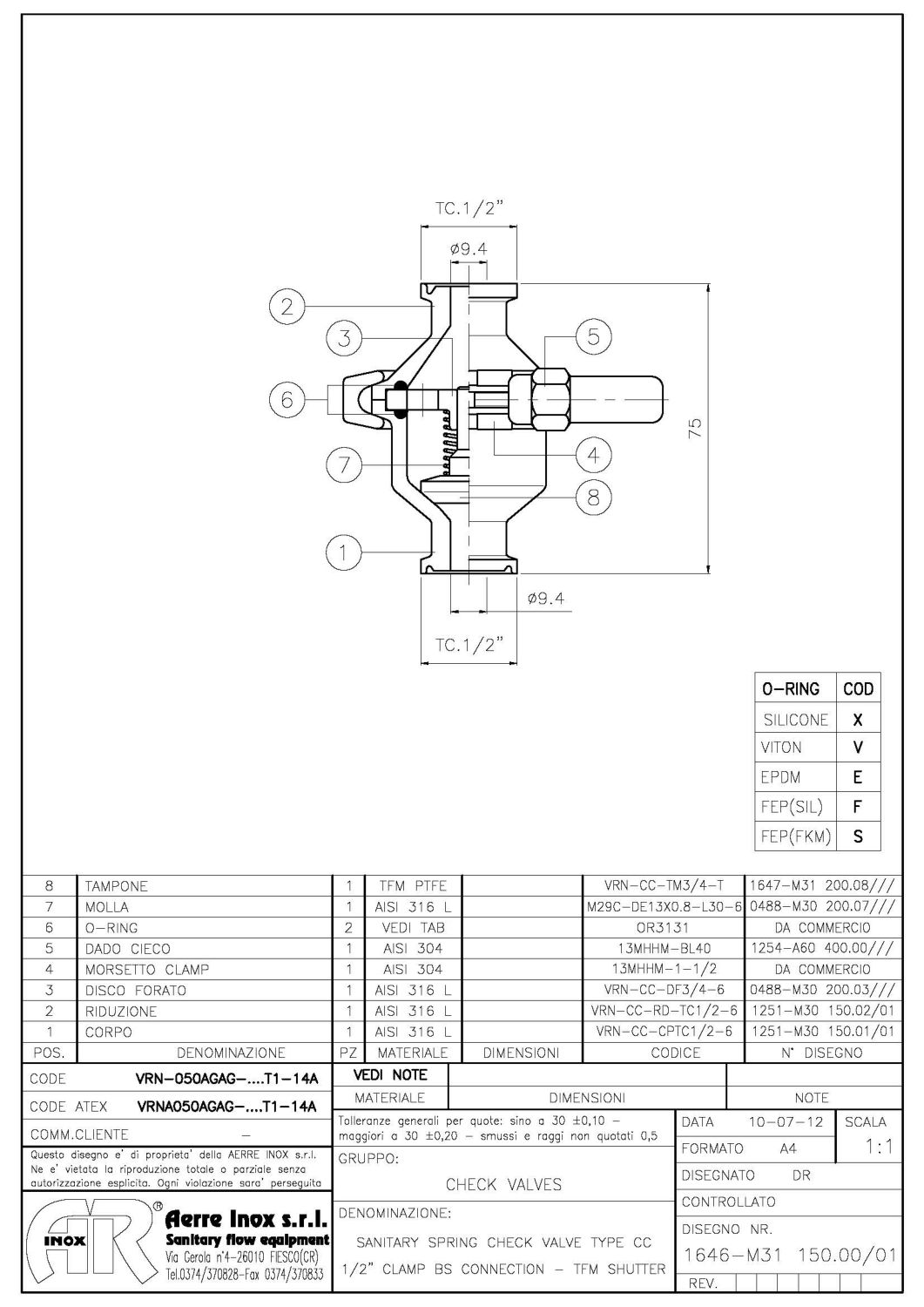
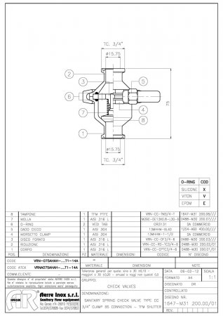
Дренируемый санитарный поточный обратный клапан с пружинным приводом, который пропускает поток только в одном направлении, предотвращение обратного потока и перекрестного загрязнения. Доступны все фармацевтические сертификаты.
Корпус клапана изготовлен из цельного круглого стержня из нержавеющей стали AISI 316L. Он состоит из двух частей в собранном виде со стандартным зажимным кольцом. Клапан может быть легко и быстро демонтирован и собран без какого-либо инструмента.
Диск, запечатанный двумя кольцами, направляет подпружиненную заслонку в седло корпуса клапана.
Давление жидкости открывает клапан. Когда давление на входе, создаваемое жидкостью, превышает нагрузку пружины, тогда затвор поднимается, и клапан открывается. Когда перепад давления на клапане падает, затвор возвращается на свое место и клапан закрывается.
- SIP / CIP Стерилизуемый - Автоклавируемый
- Полная прослеживаемость смачиваемых материалов
- Высокое значение Cv
- Соответствует стандартам FDA
Смачиваемые части продукта:
- Ra <0,5 мкм - ASME-BPE
- Обозначение SF1
- Электро-полировка доступна для запроса
- Концы или сварка ASME-BPE заканчивается соответствие труб и фитингов.
- Соединения ISO и DIN доступны по запросу.
- Удлиненные трубные соединения для орбитальной сварки доступны по запросу.
- Максимум. давление продукта: 10 бар
- Рабочая температура: от 0 ° C до 150 ° C
- Минимальный перепад давления для открытия клапана: 0,03 бар (30 мбар) приблизительно
- Директива по оборудованию под давлением PED 97/23 / CE под СЭП статья 3 -пункт 3
- Европейская директива ATEX 94/9 / CE - Ex II 2 GD-T4
Обратные пружинные клапаны
Асептические пружинные обратные клапаны
Решение для предотвращения обратного потока и перекрестного загрязнения Aerre Inox S.r.l.
Полностью дренируемый санитарный поточный обратный клапан с пружинным приводом, который пропускает поток только в одном направлении, предотвращение обратного потока и перекрестного загрязнения. Стандартные версии, подходящие для горизонтальной или вертикальной установки.Дренируемый санитарный поточный обратный клапан с пружинным приводом, который пропускает поток только в одном направлении, предотвращение обратного потока и перекрестного загрязнения. Доступны все фармацевтические сертификаты.
Корпус клапана изготовлен из цельного круглого стержня из нержавеющей стали AISI 316L. Он состоит из двух частей в собранном виде со стандартным зажимным кольцом. Клапан может быть легко и быстро демонтирован и собран без какого-либо инструмента.
Диск, запечатанный двумя кольцами, направляет подпружиненную заслонку в седло корпуса клапана.
Давление жидкости открывает клапан. Когда давление на входе, создаваемое жидкостью, превышает нагрузку пружины, тогда затвор поднимается, и клапан открывается. Когда перепад давления на клапане падает, затвор возвращается на свое место и клапан закрывается.
- SIP / CIP Стерилизуемый - Автоклавируемый
- Полная прослеживаемость смачиваемых материалов
- Высокое значение Cv
- Соответствует стандартам FDA
Смачиваемые части продукта:
- Ra <0,5 мкм - ASME-BPE
- Обозначение SF1
- Электро-полировка доступна для запроса
- Концы или сварка ASME-BPE заканчивается соответствие труб и фитингов.
- Соединения ISO и DIN доступны по запросу.
- Удлиненные трубные соединения для орбитальной сварки доступны по запросу.
- Максимум. давление продукта: 10 бар
- Рабочая температура: от 0 ° C до 150 ° C
- Минимальный перепад давления для открытия клапана: 0,03 бар (30 мбар) приблизительно
- Директива по оборудованию под давлением PED 97/23 / CE под СЭП статья 3 -пункт 3
- Европейская директива ATEX 94/9 / CE - Ex II 2 GD-T4
Для того, чтобы получить другую дополнительную информацию, пожалуйста, позвоните по телефонам указанным на сайте компании К-ТЕП, либо отправьте запрос на наш электронный ящик.
Перейти на страницу с документацией — Санитарные обратные клапаны
Категория: Новости и статьи
Смотрите также:
Насосы - насосное оборудование DAB (Италия)
Насосы - насосное оборудование ABS International (Швеция)
Пищевое оборудование Inoxpa (Испания)
Фармацевтическое оборудование Aerre Inox S.r.l. (Италия)
Запорная арматура широкого диапазона размеров Erhard Armaturen (Германия)
Мобильная версия Главная Новости и статьи
© 2010 — 2025 K-TEP аll rights reserved





